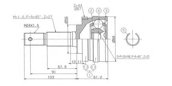
Информация о детали

Производитель Артикул Наименование Оригинальные номера
ASHUKI NI-127 Шарнирный комплект, приводной вал 39211-5V471
39211-9F626
39211-AU325
39211-BU025
39211-SV471
C9211-AU31A

Шарнирный комплект, приводной вал NI-127 ASHUKI

« Предыдущая Следующая »